培興企業有限公司|辰興實業有限公司
關於我們
產品介紹
工程實績
聯絡我們
關於我們
產品介紹
工程實績
聯絡我們
回首頁
首頁
|
產品介紹
|
支架連接片
PRODUCT
產品介紹
太陽能鋁支架
Y型腳座
雙臂腳座
夾具腳座
L型角鋁
中壓塊
側壓塊
支架連接片
線槽
線槽配件
向上彎頭
向下彎頭
水平彎頭
45度彎頭
T字形彎頭
十字彎頭
支架連接片
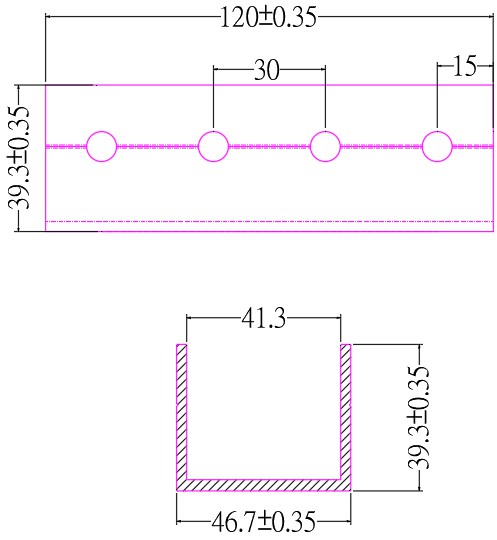
名稱
U型連接片
材質
6061
表面處理
陽極處理15μ+壓克力漆10μ
加工深度
切鋸鑽孔依客戶訂單
詳細資訊
上一個
回列表
下一個